当前位置:首页 > 政府信息公开
> 歙县城市管理局(歙县城市管理行政执法局)
> 财政资金 > 部门项目
| 索引号:
|
11341021677588889E/202502-00030 |
信息分类:
|
部门项目 |
|
主题分类:
|
综合政务 |
发文日期:
|
2025-02-14
|
|
发布机构:
|
歙县城市管理局(歙县城市管理行政执法局) |
发布日期:
|
2025-02-14
|
| 生效日期:
|
2025-02-14 |
废止日期: |
|
| 发布文号:
|
无 |
关键词:
|
项目支出绩效 |
| 内容概述:
|
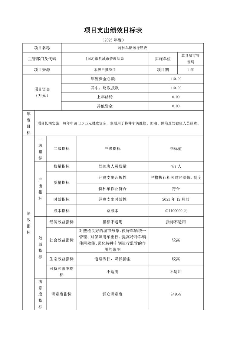
歙县城市管理局2025年度项目支出绩效目标表 |
有效性:
|
有效 |
歙县城市管理局2025年度项目支出绩效目标表
作者:歙县城管局 发布时间:2025-02-14 14:44
信息来源:歙县城市管理局(歙县城市管理行政执法局) 阅读次数:次